WELCOME TO THE WORLD OF THE COOL!
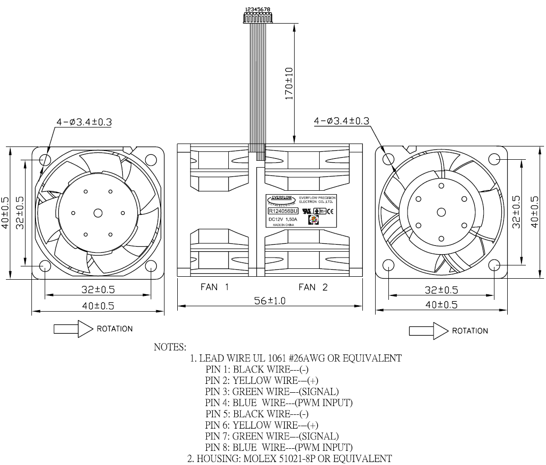
Model # R124056BUAF/8-pin
· Fan size: 40x40x56mm
· Fan voltage: 12V
· Bearing: Dual Ball bearing
· Fan speed: fan 1: 3400 ~15000 rpm; fan 2: 2700~12000 rpm
· Noise Level: 37 ~57.7 dBA
· Air Flow: fan 1: 5.7~25.17 CFM; fan 2: 4.53 ~20.13 CFM
· Power : 1.8 ~18 W
· Static pressure : fan 1: 1.38~26.82 mmH2O; fan 2: 0.87~17.17 mmH2O
· Fan connector: 8-pin
· Lead wire: UL1061 #26AWG or equivalent
· Pin Assignment : Pin 1 Black (GND), Pin 2 Yellow (PWR), Pin 3 Green (SGN), Pin 4 Blue (PWM), Pin 5 Black (GND), Pin 6 Yellow (PWR), Pin 7 Green (SGN), Pin 8 Blue (PWM)
· Housing : Molex 51021-8P or equivalent

