WELCOME TO THE WORLD OF THE COOL!
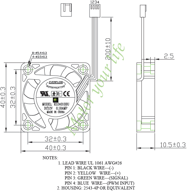
Model # R124010BUAF
· Fan size:40x40x10mm
· Fan voltage: 12V (Operating range:11.4~12.6 V DC)
· Bearing: Dual Ball bearing
· Fan speed: 2400~8000 rpm
· Noise Level: 21 ~38 dBA
· Air Flow: 1.85~6.96 CFM
· Power : 1.2 ~2.16 W
· Static pressure : 0.46~5.09 mmH2O
· Fan connector: 4-pin
· Lead wire: UL1061 #26AWG or equivalent
· Pin Assignment : Pin 1 Black (GND), Pin 2 Yellow (PWR), Pin 3 Green (SGN), Pin 4 Blue (PWM)
· Housing : Molex 2510 or equivalent (Everflow 2543)
